歡迎訪問上海靜禹閥門有限公司官網!
|
電話:021-52735798 郵箱:jingyuvalve@163.com |

| 公稱通徑 | DN50~DN1200(mm) |
| 壓力等級 | PN1.0、1.6、2.5MPa |
| 連接方式 | 對夾或法蘭連接 |
| 閥芯形式 | 碟板式 |
| 驅動方式 | 氣源驅動,壓縮空氣5~7bar(可帶手輪) |
| 動作范圍 | 0~90° |
| 密封材質 | 各種橡膠、聚四氟乙烯 |
| 工作場合 | 各種腐蝕性介質等(常溫常壓、低溫低壓場合) |
| 附件選項 | 定位器、電磁閥、空氣過濾減壓器、保位閥、行程開關、閥位傳送器、手輪機構等 |
| 控制方式 | 開關兩位控制,氣開、氣關式、彈簧復位、智能調節型(4~20mA模擬量信號) |
|
氣動軟密封蝶閥優點:
1、結構簡潔,流阻系數小,流量特性趨于直線,不會滯留雜物。
2、蝶板與閥桿的連接采用無銷釘結構,克服了有可能的內泄漏點。
3、分為氣動對夾式軟密封蝶閥和氣動法蘭軟密封蝶閥,滿足不同管道。
4、密封件可以更換,密封性能可靠達到雙向密封零泄漏。
5、密封材料耐老化、耐腐蝕,使用壽命長。
|
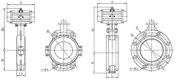
![]() 氣動對夾式軟密封蝶閥結構 氣動法蘭軟密封蝶閥結構 |
|
材料品種
|
氯丁橡膠
|
丁腈橡膠
|
乙丙橡膠
|
聚四氟乙烯
|
硅橡膠
|
氟橡膠
|
|
代號
|
×或 0rJ
|
XA或orJA
|
XB或orJB
|
xC、JC或0rF
|
XD或orJD
|
× E或orJE
|
|
耐最高溫度
|
82℃
|
93℃
|
150℃
|
232℃
|
250℃
|
204℃
|
|
耐最低溫度
|
-40℃
|
-40℃
|
-40℃
|
-268℃
|
-70℃
|
-23℃
|
|
適用工作溫度
|
≤65℃
|
≤80℃
|
≤120℃
|
≤200℃
|
≤200℃
|
≤180℃
|
