歡迎訪問上海靜禹閥門有限公司官網!
|
電話:021-52735798 郵箱:jingyuvalve@163.com |

| 公稱通徑 | DN50~DN1200(mm) |
| 壓力等級 | PN0.6、1.0、1.6MPa |
| 連接方式 | 對夾式、法蘭連接 |
| 驅動方式 | 氣動控制,壓縮空氣4-7bar,可帶手動裝置 |
| 適用溫度 | 聚四氟乙烯PTFE:-20℃~180℃ |
| 泄露量 | 符合標準(可達零泄露) |
| 密封結構 | 半襯氟密封、全襯氟密封 |
| 工作場合 | 弱腐蝕性流體及強酸介質等(常溫常壓、常溫低壓場合) |
| 附件選項 | 定位器、電磁閥、空氣過濾減壓器、保位閥、行程開關、閥位傳送器、手輪機構等 |
| 控制方式 | 開關切斷(開關兩位控制)、調節型(定位器4~20mA模擬量信號) |
|
氣動襯氟蝶閥材料及溫度(℃):
1、聚全氟乙烯FEP (F46):-85~150
2、四氟乙烯-乙烯ETFE(F40):-80--220
3、可溶性四氟PFA( FA):-70~200
4、聚四氟乙烯PTFE(F4):-200~180
5、聚偏二氟乙烯PVDF(F2):-70~100
6、改性聚乙烯FRPE(PO):-58~80
不同材料適用于不同溫度和不同介質
氣動襯氟蝶閥性能特點:
|
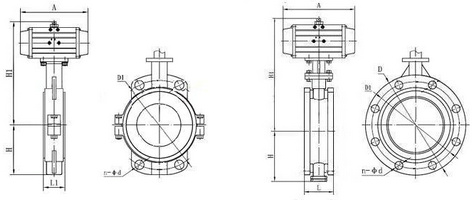
![]() 氣動對夾式襯氟蝶閥結構圖 氣動法蘭襯氟蝶閥結構圖
|
| 公稱通徑 | DN(mm) | 50~1200 | ||
| 公稱壓力 | PN(MPa) | 0.6 | 1.0 | 1.6 |
| 試驗壓力 | 強度試驗 | 0.9 | 1.5 | 2.4 |
| 密封試驗 | 0.66 | 1.1 | 1.76 | |
| 氣密封試驗 | 0.6 | 0.6 | 0.6 | |
| 作用形式 | 雙作用、單作用常閉、單作用常開 | |||
| 可選功能 | 電氣部分可選防爆,可帶手輪機構 | |||
氣動襯氟蝶閥圖片
