歡迎訪問上海靜禹閥門有限公司官網!
|
電話:021-52735798 郵箱:jingyuvalve@163.com |

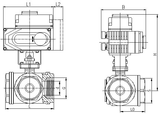
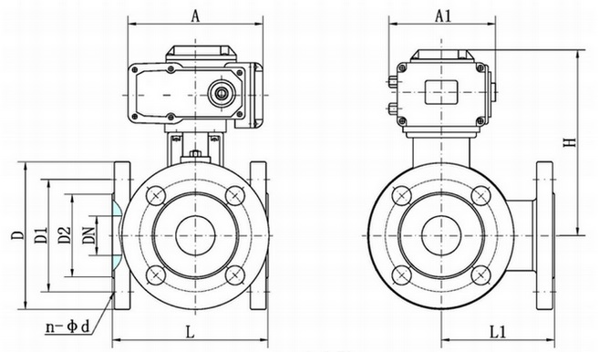
| 公稱通徑 | DN15~DN200(mm) | ||
| 公稱壓力 | PN1.6、2.5、4.0、6.4MPa | ||
| 連接形式 | 法蘭式、螺紋連接 | ||
| 閥芯形式 | O型球型閥芯 | ||
| 驅動方式 | 電動控制(可帶手動手輪) | ||
| 結構形式 | 三通L型、三通T型 | ||
| 電源電壓 | AC220V、AC380V(其他定制DC24等) | ||
| 閥體材質 | 碳鋼WCB、不銹鋼304、316、316L | ||
| 球芯材質 | 碳鋼WCB、不銹鋼304、316、316L | ||
| 可調范圍 | 15-60秒(可定制) | ||
| 適用溫度 | -40℃~450℃ | ||
| 執行機構 |
開關型(開關兩位模式)、智能調節(4~20mA模擬量信號控制)、可選防爆系列型
|
||
![]() 電動法蘭三通球閥結構圖 |
![]() 電動內螺紋三通球閥結構圖 |
電動三通球閥流向原理說明:
電動三通球閥根據流向切換要求一般分為L型結構和T型結構,介質流通方向可切換為多種形式。
L型電動三通球閥適用于介質流向的切換,能使相互垂直的兩個通道相互連通,T型電動三通球閥適用于介質的分流、合流或流向切換。

