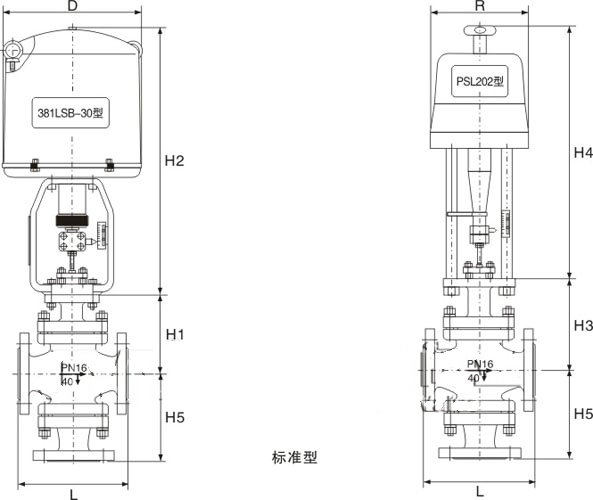
電動三通調節閥常用于熱交換器的兩種介質調節,及簡單的配比調節,可一臺代替兩臺單座、雙座調節閥使用,還可節省去安裝管道、節省投資,占據空間小。采用3810系列或PSL系列直行程電動執行機構和三通調節閥體組成,以電源為動力,接受統一的標準信號0~10mA DC或4-20mA Dc驅使閥門開度與此操作信號相對應,達到對壓力、流量、液位、溫度等工參數的調節。
電子式電動三通調節閥參數:
| 閥體 |
| 形 式 |
三通鑄造閥 |
| 公稱通徑 |
25. 32. 40. 50. 65. 80. 100. 125. 150. 200. 250. 300mm |
| 公稱壓力 |
PN16、40、64bar |
| 法蘭標準 |
JB/T79.1-94、79.2-94等 |
| 材 料 |
鑄鋼( ZG230450)、不銹鋼(ZGICr18Ni9Ti、ZGICr18Ni12M02Ti)等 |
| 上 閥 蓋 |
標準型:-17-230℃ 散熱型:230-450℃ 低溫型:-60--196℃ 波紋管密封型:-40-350℃ |
| 閥蓋形式 |
螺栓壓緊式 |
| 填 料 |
V型聚四氟乙烯填料、含浸聚四氰乙烯石棉填料、石棉紡織填料、石墨填料 |
| 閥內組件 |
| 閥芯型式 |
雙導向雙座套筒型閥芯 |
| 流量特性 |
等百分比特性和線性特性 |
| 材 料 |
不銹鋼、不銹鋼堆司太萊合金、鈦和耐腐蝕臺金等。 |
電動三通調節閥原理

分流閥 |

合流閥 |
電動三調節閥閥體為三通結構,即一進兩出(分流型),兩進一出(合流型),其中三通合流調節閥用于將兩種流體混合成第三種流體,或兩種不同溫度的同種流體,混合成同一溫度流體。而三通分流閥則是將一種流體分成兩路流體。
電動三通調節閥執行機構:
| 主要技術參數 |
電源電壓:220W50Hz輸入信號:4-20mA或1-5V.DC輸出信號:4-20mA.DC |
| 防護等級:相當IP55 隔爆標志:Exd|| BT4 手操功能:手柄 |
| 環境溫度:-25 +70℃ 環境濕度:≤95% |
| 額定流量系數Kv、額定行程、配用執行機構型號、允許壓差 |
| 公稱通徑DN(mm) |
|
25 |
32 |
40 |
50 |
65 |
80 |
100 |
125 |
150 |
200 |
250 |
300 |
| 額定流量系數Kv |
合流 |
8.5 |
12 |
21 |
34 |
53 |
85 |
135 |
210 |
340 |
535 |
800 |
1360 |
| 分流 |
- |
- |
- |
- |
- |
85 |
135 |
210 |
340 |
535 |
800 |
1360 |
| 行程L (mm) |
|
16 |
25 |
40 |
60 |
100 |
| 允許壓差( bar) |
|
DK2-310 |
DK2-310 |
DK2-410 |
DK2-410 |
DK2-510 |
| 配用執行機構型號 |
|
32 |
22 |
22 |
14 |
13.8 |
9.4 |
6.1 |
5.1 |
3.6 |
2 |
1.9 |
1.3 |